Componentes de Sello Mecánico
TDS WB2 Componente de Sello Mecánico
Industrial Pump SealCategories:Componentes de Sello Mecánico
We're here to help
Easy ways to get the answers you need.
Contact Now
Contact Now
- TEL:1-817-616-3296
- FAX: 1-817-616-3299
- Email:Info@TDSFluid.com
Related Product
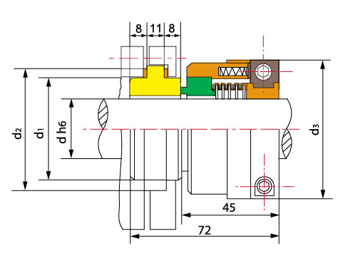
Nuestro sello mecánico de modelo WB2 pertenece a la elaboración de sello mecánica, que es ampliamente utilizado para las bombas industriales. La combinación de material normal es SIC/SIC. También podemos cambiar el tamaño o diseñar totalmente un nuevo sello mecánico, satisfacemos las necesidades de los clientes.


Límites de operación:
Presión: ≤0.5MPa
Velocidad: ≤10m/s
Temperatura: -20℃~+125℃
Medio: ácido fuerte, oxidante fuerte y otro líquido corrosivo fuerte. No aplicable a ácidos, álcalis fluorhídrico y soluciones con impurezas.
● Anillo giratorio (PTFE expandido/SiC)
● Anillo estacionario (99%Cerámica/SiC)
● Sello secundario (PTFE)
● Resorte y otras piezas (SUS304/SUS316)
|
Tamaño de sello d (mm) |
d3 | d1 | d2 |
| 30 | 66 | 54 | 66 |
| 40 | 76 | 63 | 76 |
| 45 | 81 | 68 | 82 |
| 50 | 86 | 73 | 86 |
| 55 | 91 | 78 | 90 |
| 60 | 96 | 83 | 95 |
| 65 | 111 | 88 | 100 |
Get Price And Support
Simply complete the form below, click submit, you will get the price list and a representative will contact you within one business day. Please also feel free to contact us by email or phone.
Anterior:TDS AP Componente de Sello Mecánico
Próximo:none









