Componentes de Sello Mecánico
TDS XB-35 Componente de Sello Mecánico
Industrial Pump SealCategories:Componentes de Sello Mecánico
We're here to help
Easy ways to get the answers you need.
Contact Now
Contact Now
- TEL:1-817-616-3296
- FAX: 1-817-616-3299
- Email:Info@TDSFluid.com
Related Product
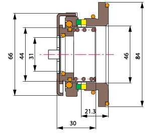
Nuestro sello mecánico de modelo XB-35 puede reemplazar ITT, que es ampliamente utilizado para la FLYGT PUMP y las principales industriales. La combinación de material normal es TC/TC/VITON/SS304/2CR13. La estructura de nuestra sello es totalmente la misma que el sello ITT original. También podemos cambiar el tamaño o diseñar totalmente un nuevo sello mecánico, satisfacemos las necesidades de los clientes.


● Anillo giratorio (Carbono/Cerámica/TC)
● Anillo estacionario (Cerámica/TC)
● Sello secundario (NBR/VITÓN)
● Resorte y otras piezas (65Mn/ SUS304/SUS316)
● Otras piezas (Plástico)
Get Price And Support
Simply complete the form below, click submit, you will get the price list and a representative will contact you within one business day. Please also feel free to contact us by email or phone.









