TDS 1500 Componente de Sello Mecánico
Industrial Pump SealContact Now
- TEL:1-817-616-3296
- FAX: 1-817-616-3299
- Email:Info@TDSFluid.com

Límites de operación:
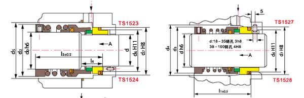
Presión: 0~1MPa(TS1527,TS1528)
≤3MPa(TS1523,TS1524)
Velocidad: ≤15m/s
Temperatura: -20℃~+180℃
● Anillo giratorio (SiC/TC/Carbono)
● Anillo estacionario (Carbono/SiC/TC)
● Sello secundario (NBR/VITÓN/ EPDM)
● Resorte y otras piezas (SUS304/SUS316)
Características de diseño:
1. La dirección rotativa es inmóvil. Se pueden usar resortes de sentido derecho o izquierdo, dependiendo del sentido de rotación del eje.
2. Excepto el largo axial, todas las otras dimensiones están en conformidad con las normas ISO3069 y DIN24960.
|
Tamaño de sello d (mm) |
d0 | d3 | d4 | d6 | d7 | d2 | d5 | l3 | l1 | l4 |
| min | min | |||||||||
| 18 | 22 | 32 | 34 | 27 | 33 | 36 | 38 | 55 | 45 | 20 |
| 20 | 24 | 34 | 36 | 29 | 35 | 38 | 40 | 60 | 45 | 20 |
| 22 | 26 | 36 | 38 | 31 | 37 | 40 | 42 | 60 | 45 | 20 |
| 24 | 28 | 38 | 40 | 33 | 39 | 42 | 44 | 60 | 50 | 20 |
| 25 | 30 | 39 | 41 | 34 | 40 | 44 | 46 | 60 | 50 | 20 |
| 28 | 33 | 42 | 44 | 37 | 43 | 47 | 49 | 65 | 50 | 20 |
| 30 | 35 | 44 | 46 | 39 | 45 | 49 | 51 | 65 | 50 | 20 |
| 32 | 38 | 46 | 48 | 42 | 48 | 54 | 58 | 65 | 55 | 20 |
| 33 | 38 | 47 | 49 | 42 | 48 | 54 | 58 | 65 | 55 | 20 |
| 35 | 40 | 49 | 51 | 44 | 50 | 56 | 60 | 65 | 55 | 20 |
| 38 | 43 | 54 | 58 | 49 | 56 | 59 | 63 | 75 | 55 | 23 |
| 40 | 45 | 56 | 61 | 51 | 58 | 61 | 65 | 75 | 55 | 23 |
| 43 | 48 | 59 | 63 | 54 | 61 | 64 | 68 | 75 | 60 | 23 |
| 45 | 50 | 61 | 65 | 56 | 63 | 66 | 70 | 75 | 60 | 23 |
| 48 | 53 | 64 | 68 | 59 | 66 | 69 | 73 | 85 | 60 | 23 |
|
Tamaño de sello d (mm) |
d0 | d3 | d4 | d6 | d7 | d2 | d5 | l3 | l1 | l4 |
| min | min | |||||||||
| 53 | 58 | 69 | 73 | 65 | 73 | 78 | 83 | 85 | 70 | 25 |
| 55 | 60 | 71 | 75 | 67 | 75 | 80 | 85 | 85 | 70 | 25 |
| 58 | 63 | 78 | 83 | 70 | 78 | 83 | 88 | 85 | 70 | 25 |
| 60 | 65 | 80 | 85 | 72 | 80 | 85 | 90 | 95 | 70 | 25 |
| 63 | 68 | 83 | 88 | 75 | 83 | 88 | 93 | 95 | 70 | 25 |
| 65 | 70 | 85 | 90 | 77 | 85 | 90 | 95 | 95 | 80 | 25 |
| 68 | 73 | 88 | 93 | 81 | 90 | 93 | 98 | 95 | 80 | 28 |
| 70 | 75 | 90 | 95 | 83 | 92 | 99 | 104 | 95 | 80 | 28 |
| 75 | 80 | 99 | 104 | 88 | 97 | 104 | 109 | 105 | 80 | 28 |
| 80 | 85 | 104 | 109 | 95 | 105 | 109 | 114 | 105 | 90 | 28 |
| 85 | 90 | 109 | 114 | 100 | 110 | 114 | 119 | 105 | 90 | 28 |
| 90 | 95 | 114 | 119 | 105 | 115 | 119 | 124 | 105 | 90 | 28 |
| 95 | 100 | 119 | 124 | 110 | 120 | 124 | 129 | 105 | 90 | 28 |
| 100 | 105 | 124 | 129 | 115 | 125 | 129 | 134 | 105 | 90 | 28 |
The TS 1500 seal is for shafts whose rotation is unidirectional. The spring direction must be specified for the direction of rotation.
Get Price And Support
Simply complete the form below, click submit, you will get the price list and a representative will contact you within one business day. Please also feel free to contact us by email or phone.










